开云体育

F系列开合式户外防水电流互感器(圆形挂线式)
F系列开合式户外防水电流互感器(圆形挂线式) F系列开合式户外防水电流互感器(圆形挂线式) F系列开合式户外防水电流互感器(圆形挂线式) F系列开合式户外防水电流互感器(圆形挂线式) F系列开合式户外防水电流互感器(圆形挂线式) F系列开合式户外防水电流互感器(圆形挂线式)

F系列开合式户外防水电流互感器(圆形挂线式)

  • 产品介绍
  • 常见问题
  • 资质证书
  • 留言咨询
产品概述
 
TR-F系列圆形开合式户外防水电流互感器,本系列产品最大的特点就是防水功能,可以在户外使用。磁芯切口端面采用硅胶圈环绕密封,能有效阻止雨水渗入;壳体采用超声波熔焊一体成型工艺,塑胶料将互感器本体包裹密封;磁芯绕组结构件用环氧树脂浇注,同时二次侧引出线采用护套线,阻止雨水渗入互感器机体。防水等级可达到IP66。
产品特点
 

开合式结构,易于现场安装,操作方便。不需断开被测初级电缆即可快速、方便地安装或拆除,有效进行安全、简便的电流测试

量限宽,抗饱和能力强。输入电流范围0~600A

阻燃特性:符合UL94-V0

防护等级:IP66

应用范围
 
电气火灾监控系统,消防设备电源监控系统,智能用电系统,智能低压电网,小电流接地系统,继电保护,电动机保护系统等。用于线路和设备的电流测量、监控和保护。
性能指标
 

电气

性能

参数

工作温度 -40℃~+70℃ 相对湿度 ≤90%
电压等级 0.4/0.66/0.72kV 线性范围 5%~120%
额定输入电流 0~600A 额定频率 50/60Hz
额定负载 <20Ω 工频耐压 3kV AC/1min
精度等级 0.5级 绝缘电阻 ≥1000MΩ/500V DC

机械

结构

参数

外壳及骨架 PA/PC阻燃等级94-V0 输出方式 防水航插/护套线
铁芯材质 硅钢/纳米晶/坡莫合金 封灌 环氧树脂
内部结构 防水硅胶密封圈 防护等级 IP65、IP66、IP67
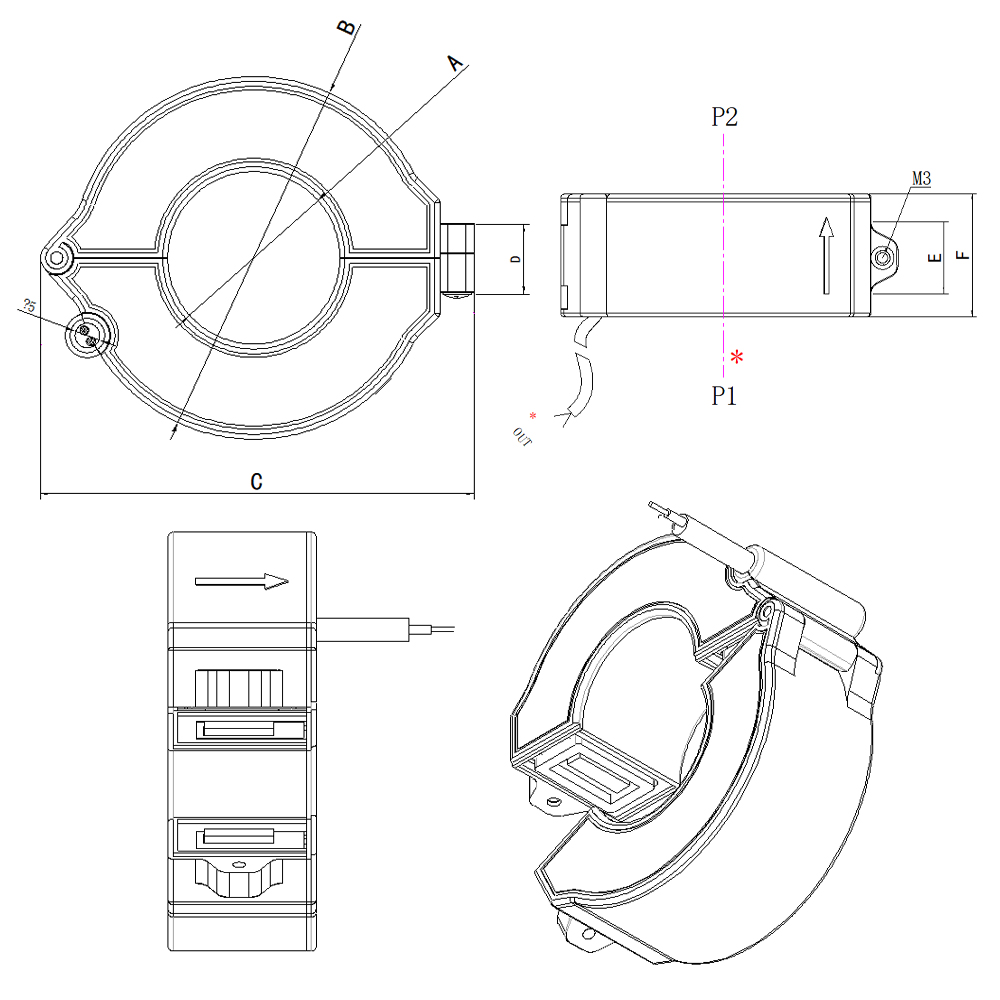
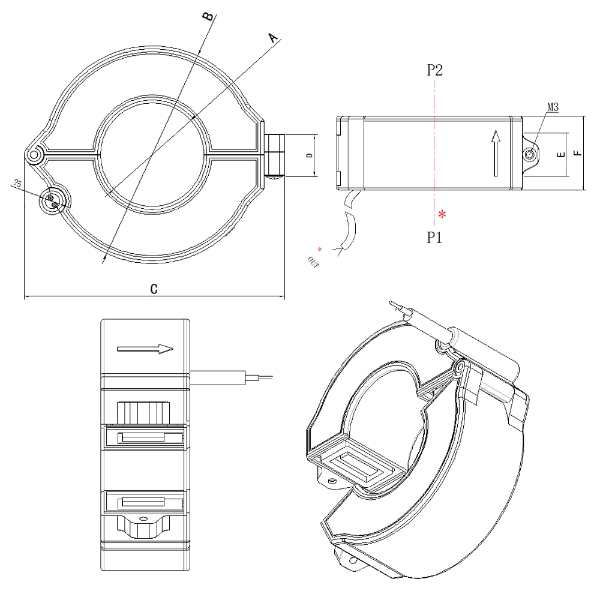
外形及安装尺寸
 
产品
型号
额定
输入
额定
输出
精度
等级
外形尺寸(mm) 产品规格书
A B C D E F
TRAKL-25F 0~300A 0~100mA 0.3
0.5
0.5S
25 60 75 14.5 19 30.5 PDF文档
TRSKL-25F
TRPKL-25F
TRAKL-35F 0~600A 35 73.5 88 14.5 19 32
TRSKL-35F
TRPKL-35F
产品型号命名规则
 
安装注意事项
 

硅钢铁芯闭合前,确保切口端面干净,无污渍、无杂质残留;须涂防锈剂处理

紧固螺钉时使用扭力扳手(电动/气动),扭力设定至合理值范围

开云体育-开云(中国)一站式服务官方网站 的主营产品有:电流互感器、电压互感器、电流变换器、电压变换器、霍尔传感器等,希望可以帮到你。

天瑞公司现有三大业务领域分别是:继电保护与自动化、智能电网、新能源。其中,继保领域主要目标市场为:电量传感器、GPS同步时钟源;智能电网领域主要目标市场为:数显电力仪表、高压电能计量装置;新能源领域主要目标市场为:太阳能和风电转换装置、新能源电池监控装置等。

以满足客户需求为工作焦点,关注产品质量,提倡产品标准化,使经营业绩得到了蓬勃发展。近五年销售收入年均增幅为35%,高出行业增长水平20个百分点。 天瑞公司现有三大业务领域分别是:继电保护与自动化、智能电网、新能源。其中,继保领域主要目标市场为:电量传感器、GPS同步时钟源;智能电网领域主要目标市场为:数显电力仪表、高压电能计量装置;新能源领域主要目标市场为:太阳能和风电转换装置、新能源电池监控装置等。公司自成立之初,就致力做好做精做强电力电子产业,积极承担社会责任,高度重视人才培养,现已成为行业内广受尊重的企业之一。

2006年被推选为中国电器工业协会理事单位 2010年被评定为国家高新技术企业 2013年被中华全国总工会评为“工人先锋号”,被授予湖北省名牌 2014年被中国电子工业协会评为“全国电子信息行业最具社会责任企业”称号 2015年被授予湖北省著名商标2017年被评定为“中国驰名商标”

开云体育-开云(中国)一站式服务官方网站 从1998年在湖北省天门市成立, 有着超过20年的技术开发和生产管理的经验积累。

电流互感器是由闭合的铁心和绕组组成。它的一次绕组匝数很少,串在需要测量的电流的线路中,因此它经常有线路的全部电流流过,二次绕组匝数比较多,串接在测量仪表和保护回路中,电流互感器在工作时,它的二次回路始终是闭合的,因此测量仪表和保护回路串联线圈的阻抗很小,电流互感器的工作状态接近短路。

按照用途不同,电流互感器大致可分为两类 : 测量用电流互感器:在正常工作电流范围内,向测量、计量等装置提供电网的电流信息。 保护用电流互感器:在电网故障状态下,向继电保护等装置提供电网故障电流信息。

剩余电流互感器是漏电保护器的检测元件,它的主要功能是检测通过互感器铁心的主电路的剩余电流(触电、漏电等接地故障电流),并将一次回路的剩余电流变换成二次回路的输出电压。剩余电流互感器是漏电保护器中最关键的部件之一。

电压传感器的原理: 对于交流电压测量,可用电压互感器作为传感元件,即使用一台电压互感器将被测电压降至到可利用的低电压,然后通过相关电路变换成与被测电压成线性关系的直流电压送入到数据采集系统和A/D转换器。 当被测电压为直流电压时,可用分压电阻作为传感元件,并联在被测元件两端的电阻值应足够大(一般应控制在消耗功率小于被测电机额定功率的1/1000以下)),以尽可能地减少该回路电流产生的损耗给测量值造成的影响,对于低压电机,应在10KΩ左右。取该被测电压在电阻上的一部分电压降作为信号,直接送入到数据采集系统和A/D转换器。

电压传感器的作用是自动检测电压,从而使我们能够对设备或系统的电压进行控制和显示,必要时采取过电压、欠电压等自动保护措施。
环境管理体系认证证书-中文
质量管理体系认证证书-中文
职业健康安全管理体系认证证书-中文
CE
IATF16949
REACH
REACH
RoHS
感谢您的留言,我们将尽快与您联系!

联系我们

服务热线:400-086-3003

电话:0728-5353116 5353117

传真:0728-5353121

邮箱:hbtr@sanshinc.com

地址:湖北省天门市经济开发区创业大道8号

开云体育-开云(中国)一站式服务官方网站
微信公众号
开云体育-开云(中国)一站式服务官方网站 微信公众号
感谢您的留言,我们将尽快与您联系!